CAT Flanschhälften 9000 PSI 1" Caterpillar
Produktinformationen Spezifizierungen
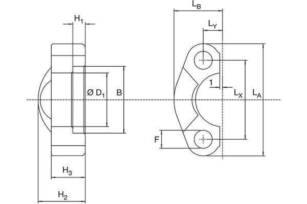
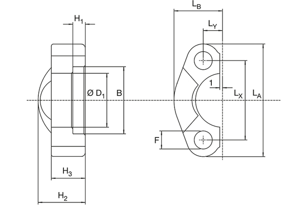
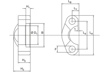
DN: 25
Size: 16
Zoll: 1
Betriebsdruck [bar]: 420
H1 [mm]: 13,5
H2 [mm]: -
Beschreibung: Halbflansch, normale Ausführung 3000 PSI + 6000 PSI + CAT
Lx [mm]: 57,1
Ly [mm]: 13,9
Material: Stahl
Ø D1 [mm]: 38,9